AVRマイコン

AVRマイコン

赤外線通信

赤外線通信手順をネットで調べ、受信側からプログラミングし、受信したデータを使って送信テストをする。これを何度か繰り返してやっとかたちになりました。これを応用すると色んなことができそう。データの受け渡しはもちろん、赤外線スイッチなんかは部品さ...
AVRマイコン

ドアロックモジュール

とってもご無沙汰しております。m(_ _)m以前実家のステップワゴンにセキュリティを付けたとき配線検索中にドアロックモジュールを壊してしまい既存の集中ドアロックではロックはできてもアンロックができない状態にしてしまいました。そのときは仕方な...
AVRマイコン

やっと作った自分用…

電動ファン用サーモスイッチを作りました。内容は 前回 kuni92さん用に作ったものとほぼ同じ。今回は自分用なので面倒なモニター用LEDは省きました。それでも半田付けには4時間くらいかかってしまいます。(ヘタすぎ...)半田には環境にやさし...
AVRマイコン

他にやるべきことが…

たくさんあるのですけど、、^^;ブレッドボードで試験中。ブザー付けて分かりやすくしたいなと思って...いつも戻し忘れるんですよね~。これはやっぱりミニのせい??それとも歳のせい??
AVRマイコン

AVRでサーモスイッチ…完成

kuni92さん、お待たせしました♪[取説]緑LED : POWERインジケータ赤LED : 作動インジケータ一枚目画像にある穴 : 5mmのナッターを埋めてみました。この穴の真下に可変抵抗器があります。精密ドライバー(100円均一で十分)...
AVRマイコン

AVRでサーモスイッチ…ケース待ち

本日ケースを注文したのですが残念なことに取り寄せ商品のようで少し納期がかかりそうです。準備万端なんですけどね...。
AVRマイコン

AVRでサーモスイッチ…連絡

kuni92さんへ、温度センサー(サーミスタ)は画像の左のものをこのようにシリコン系の液状ガスケットで固定します。この取り付け方に抵抗ありますでしょうか??センサーが水温を拾えればどこでもいいんですけど。。
AVRマイコン

AVRでサーモスイッチ…基盤

昨日までに基盤はできてたんですが思うように動作しなくてこれはまたノイズの仕業か!?なんて思考錯誤してたら接続ピンの位置がずれてました(汗)早速プログラムを修正しテストしたところおかしなところは治りました。ただON・OFFの温度差が狭すぎます...
AVRマイコン

AVRでサーモスイッチ…テスト

昨日の夜中、回路図どおりブレッドボードに配置しました。上部可変抵抗器は作動温度調節下部可変抵抗器はサーミスタ(温度センサー)の代わりタクトスイッチは手動スイッチの代わりAVRは、内部クロック最低値0.5MHzで動作させ即プログラミングしテス...
AVRマイコン

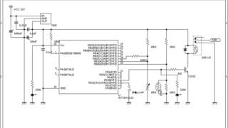
AVRでサーモスイッチ…の回路図

kuni92さん のブログでファンスイッチが少々話題に...もし間に合えばと思って、仕事中に回路図を作ってみました。以前作ったモノ の改良版(AVRマイコン使用)です。まだまだ工程がたくさんあるので完成までたどり着けるかどうか分かりませんが...